集中供暖原理科普
水温
我们常说的地暖,是地板辐射供暖的简称,属于低温辐射供暖 ()。热媒一般为低温热水,散热设备多为塑料加热盘管。考虑到散热的效果,和塑料管材的使用寿命,民用建筑的供水温度应 ,供、回水温差宜 。
与对流供暖相比较,地板辐射供暖有如下好处:
- 舒适度高,节能。没有因为人离散热器较近时因热空气上升而引起的窒息感,室内温度场均匀,温度梯度合理。减少了人体的辐射热量,使人比较舒适,室内温度的设计标准可适当降低。设计水温低,可采用电厂余热等低品味热源供暖。
- 节约建筑面积,无散热器片与外露的管道。
-- 引用自《供热工程(第 4 版)》
-- 图片来自《供热工程(第 4 版)》
流速
随着散热的进行,在室温提升的同时,热媒自身温度也会降低。
可以想象我们在屋里放一盆 60 ℃ 的热水散热,散着散着水凉了,我们就要重新换一盆 60 ℃ 的热水。那么多长时间换一次水合适呢?如果换的太频繁,每分钟换一次,热水温度还没怎么下降呢,就被换掉了,光折腾人了;如果换的太慢,后面热水已经凉透了,后面基本上不怎么散热了,效果就会不好。所以要等水温下降到一个合理的范围就换一次,这就是前面说的供、回水温差的来源:把一盆热水,散热到温度从 60 ℃ 降低到了 50 ℃ 就换一次,是比较合理的范围。
实际供暖时,水在地热管中循环,就是在重复上面说的换水的过程。60 ℃ 的热水从供水管流入地热管,散热到 50 ℃ 的时候,就从回水管流走了。
要想控制水从入口到出口,刚好温度从 60 ℃ 降到 50 ℃,就需要控制水在地热管中流动的时间 (t),流动的时间又是由地热管的长度 (l) 和水的流速 (v) 决定的:。一般地热管的长度不应该超过 120 m,流速不应小于 0.25 m/s。满足这个条件下,热水进入地热管,最多会在地热管中停留 就会被新的热水换掉。
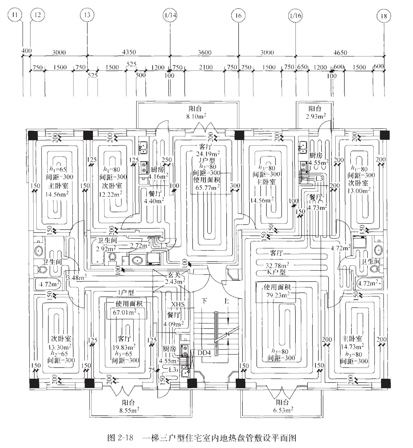
对于较大的户型,120 m 的地热管长度,显然不足以铺满整个室内。这时就需要使用多个地热管铺满室内,所有地热管通过分水器和集水器分别与供水管和回水管连接。为了保证各个地热管中的热量均匀,还应保证每个管道长度尽可能一致。
-- 图片引用自《供热工程(第四版)》
压力
怎么才能让水按照 0.25 m/s 的速度流动呢?
水管中的水,是在水管两端的压力差的作用下,克服水管中的阻力,流动起来的。单独看某一点的绝对压力,不能代表水的流动效果。例如我们给水管的一端加了 的压力,但另一端加了同样的压力,那么水依然不会流动。甚至如果给另一端加上 ,水还会反着流动。而就算我们只给水管一端加了 的压力,但另一端是真空的(压力为 0),水依然可以流动起来。
在集中供暖的系统中,一般是靠循环水泵来提供这个压力差的。循环水泵工作时,会给回水管一个负压(抽水),给供水管一个正压(泵水)。这样,水就能流动起来了。
-- 图片引用自《供热工程(第四版)》
供水压力要根据散热器的承压能力和建筑高度设计。压力太大,会导致超过散热器承压能力;压力太小,会导致高层供水压力不够。
例如 33 层的住宅楼,按层高 3 米估算,33 层的高度大概在 100 米左右,供水压力至少要达到 ,否则水供不到 33 层。那么此时 1 层的压力将会达到 ,可能会超出散热器(塑料地热管)的承压范围。
因此,高度超过一定范围,一般需要分高、低区供暖。
例如 33 层住宅楼,2 ~ 17 层划分到低区供暖,18 ~ 33 层划分到高区供暖。高区供水压力达到 时,高区的最低层 18 楼的压力差不多是 ,还在散热器的承压范围内。低区供水压力至少要达到 ,第一层的用户也在安全的压力范围内。
平衡
集中供暖中,管道铺设、水的循环方式有很多种形式:垂直系统与水平系统、单管与双管、顺流式与跨越式、同程与异程等。这其中涉及膨胀水箱、排气方式等专业设计的知识。
我们重点关注这其中影响水流速度的因素,分别是水平系统和垂直系统中的同程式与异程式两种回水方式。
-- 图片引用自《供热工程(第四版)》
先看水平方向。以上图为例,先看左侧的异程式。图中上方的 MA 是水平供水干管,下方的 BN 是水平回水干管。供水方向为从左向右,回水方向为从右向左,方向刚好相反,因此叫做异程式回水。
图中第 n 栋楼中,水流长度是 MN。最 1 栋楼水流长度是 MABN,比第 n 栋楼远了 MA + BN。如果供热半径不大,一般供水干管都很粗,相比于室内的地热细管,阻力可以忽略不计。所以虽然距离远了点,但影响不大。而如果供热半径过大,供水干管中的阻力已经不可忽略时,就会出现最远和最近的楼栋,流量有明显的差异,导致供热不均匀。
这时就可以使用右侧的同程式回水。与左侧的区别是,回水不是从 N 点向左回去,而是从 B 点走下面的虚线回去的。在这个图中,供水方向是从左向右,回水方向还是从左向右(N 到 B),因此叫同程式回水。
图中第 n 栋楼中,水流长度是 MNB。第 1 栋楼中,水流长度 MAB,每一路的水流长度都是一样的。因此阻力也就都是一样的,就不会出现异程式回水中的流量不均的问题了。
同程式的缺点就是成本更高,需要多铺设一根回水管道。因此,有时为了节省成本,还是会使用异程式回水方式。为了解决异程式回水中流量不均匀的问题,可以在每个支路上安装平衡阀。平衡阀可以通过调节开度,改变阻力,从而控制流量。可以将平衡阀看成电路中的滑动变阻器:

-- 图片引用自《供热工程(第四版)》
再看垂直方向。与水平方向类似,异程式的越靠下流量沿程阻力越小。同程式每一层的阻力都相同。
但与水平方向不同的是,虽然同程看似更理想,但垂直系统中,一般还是采用异程式的。主要是因为同程式立管无法克服重力循环压力的影响。
所谓重力循环压力,是指 4 ℃ 以上的水,密度会随温度升高而下降。因此供水管中的热水密度更小,回水管中的冷水密度更大。这样,更高层虽然多了管道沿程阻力带来的压降损失,但也获得了更多的重力压力补偿。通过合理的设计管道阻力,可以让两者刚好抵消。同时,与水平系统类似,还可以在每一层的入户支路上安装平衡阀,来调节流量。
例如,水在 60 和 50 ℃ 时的密度分别为 和 ,那么每米产生压差将会是 。如果能让立管每米的阻力刚好把这个抵消掉,就不会引起垂直失衡。
过滤器
供暖用水肯定会含有大量的杂质,而地热管一般又很细,如果不对杂质进行过滤,很容易导致地热管堵住。
一般会在供热的主管道、入户的管道和分水器前,都安装过滤器。一般会在主管道过滤器的前后安装压力表,便于通过压差来判断过滤器是否需要清洗。
前面说过,水需要在压差的作用下,克服水管中的阻力,推动水流动。因此,压降是与阻力成正比的。同样可以类比成电路,在电流或压力或电路总功率不变的情况下,电阻两端的电压越大,说明电阻越大。
热源
现在还剩最重要的一件事,热水哪来的?
-- 图片引用自《供热工程(第四版)》
最基础的方式,就是像这张图中,有个锅炉,热水就是它烧出来的。
但一般市政集中供暖,热源都是由热力公司统一提供的。好处是能源利用率更高,而且可以利用工业余热等进行供暖。那是不是把图中的供、回水管道直接接到热力公司的管道上就万事大吉了呢?
一般没这么简单。主要原因有两个,一是热力公司供热范围更大,为了提高效率,其供热的压力和温度都会更高,和最终入户要求的温度和压力没办法直接匹配。还有就是系统越大,就越容易出问题,越难以调试。如果热力公司直接供暖到千家万户,那么这个系统将无比庞大,可能会出现很多问题。
因此,热力公司一般会供热到小区的换热站。在换热站中,把小区内的水加热。可以把换热站就当成图中的锅炉,只不过锅炉不用自己烧,是用热力公司提供的热源来加热。

在集中供暖中,从热力公司到换热站之间的循环,叫做一次网;从换热站到最终用户之间的循环,叫做二次网。我们前面讨论的,都是二次网。一次网的循环和二次网的类似,只不过供水温度、压力、流量都会更大。
循环
前面从家里是怎么热起来的,一步步倒推回热源。下面,我们从水循环的视角,正向的看一下热是如何从热源传递到家中的。
先看一次网中的循环:
- 水通过工业余热、热力公司的锅炉等方式,加热到 110 ℃
- 热水在循环水泵的作用下,沿着一次网供水管,流入各个小区的换热站
- 热水在换热站中,把自身的热量,传递给了小区内的二次网,自身温度降低到了 ? ℃(没有查到确切的一次网供、回水温差信息)
- 降温后的水,还是在循环水泵的作用下,沿着一次网回水管,流回热力公司,重新加热
再看二次网中的循环:
- 水在换热站中,被一次网的热水加热到 60 ℃
- 热水在循环泵的作用下,沿着二次网水平供水干管,流入各个楼栋内的供水立管
- 热水在每户的水暖井中,从供水立管中分流到户内
- 流入户内的热水,经过供水阀门、过滤器、分水器,流入每一路地热盘管中
- 大概 8 分钟后,散热到 50 ℃ 的水,流回到集水器中
- 集水器中的水,经楼栋内的回水立管、小区内的水平回水干管,流回到换热站,重新加热
- 由于管道漏水、户内排水等因素,流回到换热站的水可能会变少,就需要重新补充冷水参与循环




